A Tranquilidade de Saber, a Segurança de Agir
O monitoramento remoto para pivô de irrigação eficaz é crucial para a produtividade agrícola, mas como garantir que tudo funcione bem a quilômetros de distância? Sistemas tradicionais, infelizmente, muitas vezes falham em silêncio. Isso deixa o produtor “cego” para problemas críticos, como quedas de energia no campo não reportadas. Imagine também falhas no próprio sistema de vigilância que passam despercebidas. Consequentemente, o prejuízo de uma irrigação desigual ou o risco de depender de um sistema de alerta inoperante são ameaças reais. É por isso que a Ouzer oferece uma solução robusta e “fail-safe” (à prova de falhas). Utilizamos o Transceptor Alpha V4 para transformar a incerteza em controle total.
Conteúdo
- 1 O Objetivo do Monitoramento Remoto para Pivô de Irrigação: Diagnóstico e Confiabilidade
- 2 Análise Detalhada da Lógica de Funcionamento do Monitoramento Remoto
- 3 Vantagens do Monitoramento Remoto Fail-Safe para Pivô de Irrigação
- 4 Expandindo o Diagnóstico: Outras Possibilidades de Monitoramento com o Transceptor Alpha V4
- 5 O Equipamento por Trás do Monitoramento Remoto de Pivô: Transceptor Alpha V4
- 6 Confiabilidade e Informação Precisa para sua Irrigação
O Objetivo do Monitoramento Remoto para Pivô de Irrigação: Diagnóstico e Confiabilidade
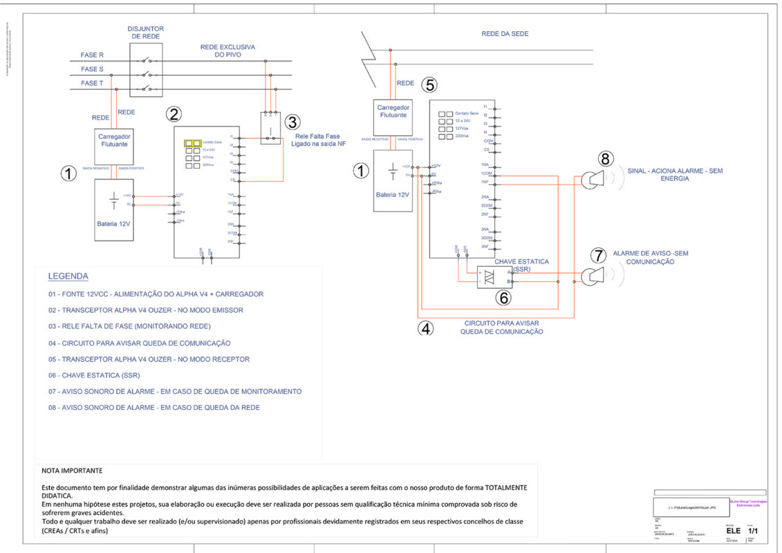
O objetivo central desta aplicação é, portanto, implementar um sistema de monitoramento remoto para pivô de irrigação que seja 100% sem fio e fundamentalmente à prova de falhas. Ele deve alertar a sede, de forma clara e inequívoca, sobre duas condições críticas distintas:
- Queda de Energia no Pivô: O sistema fornece notificação imediata se a alimentação elétrica principal do equipamento for interrompida no campo.
- Falha de Comunicação: Além disso, um alerta automático e distinto é gerado se o próprio link de rádio entre o pivô e a sede ficar inoperante, garantindo assim a integridade do monitoramento.
Análise Detalhada da Lógica de Funcionamento do Monitoramento Remoto
Vamos detalhar o funcionamento do monitoramento remoto para pivô de irrigação nos três estados operacionais:

Estado 1: Operação Normal
No Pivô, a rede elétrica está OK, ativando a entrada I1 do T1. O T1 transmite continuamente o sinal “Rede OK” (Canal 1). Na Sede, o T2 recebe este sinal e energiza seu relé 1 (contato 1NF fica ABERTO). Isso mantém a “Sirene Sem Energia” desligada. A saída SSR também permanece desativada, pois a comunicação está ativa.
Estado 2: Queda de Energia no Pivô
A rede do Pivô falha, desativando a entrada I1 do T1, que para de enviar o sinal “Rede OK”. Na Sede, o T2 detecta a ausência do sinal do Canal 1, então, ele desenergiza seu relé de saída 1. O contato 1NF fecha, consequentemente disparando a “Sirene Sem Energia”. A saída SSR, no entanto, permanece desativada. Isso ocorre para que o T2 permaneça recebendo outros pacotes de status do T1.
Estado 3: Falha na Comunicação (Rádio)
Numa eventualidade de os sinais de rádio do T1 não chegarem ao T2 por um período prolongado. O T2 detecta essa ausência total de comunicação. Como resultado, duas ações ocorrem:
- Ação no Relé 1: Como o sinal do Canal 1 (“Rede OK”) não está chegando, o T2 desenergiza o relé 1. Isso fecha o contato 1NF e dispara a “Sirene Sem Energia”.
- Ação na Saída SSR: Simultaneamente ou logo após, a função interna “Alarme de Perda de Comunicação” (watchdog) ativa a saída SSR. Esta saída, por sua vez, energiza a Chave Estática externa, que dispara a “Sirene Sem Comunicação”.
- Diagnóstico: Ambas as sirenes disparam. Isso indica claramente uma falha geral de comunicação ou uma falha dupla (energia + rádio). Recomenda-se usar sirenes com sons distintos para facilitar a identificação imediata.
Vantagens do Monitoramento Remoto Fail-Safe para Pivô de Irrigação
Implementar um sistema de diagnóstico remoto como este oferece benefícios que vão muito além de um simples alarme.
- Tomada de Decisão Rápida e Correta: Primeiramente, ao saber a causa exata da falha, o operador pode acionar a equipe correta imediatamente. Isso otimiza o tempo de reparo e minimiza perdas.
- Confiabilidade à Prova de Falhas: Além disso, o sistema é totalmente autônomo. Graças às baterias independentes, ele continua operando mesmo durante um blecaute geral, garantindo vigilância 24/7.
- Manutenção Preditiva: O alerta específico de “Falha de Comunicação” funciona como uma ferramenta preditiva. Ele informa que o link de rádio precisa de atenção antes que uma falha real no pivô ocorra e não seja reportada.
- Segurança Total na Operação: Por fim, o produtor pode operar a irrigação a qualquer hora. Ele tem a certeza de que qualquer anomalia será instantaneamente notificada e diagnosticada.
Expandindo o Diagnóstico: Outras Possibilidades de Monitoramento com o Transceptor Alpha V4
Além do monitoramento essencial de energia e comunicação, a flexibilidade do Transceptor Alpha V4 permite expandir o sistema. Podemos incluir diagnósticos ainda mais detalhados. É possível, por exemplo, adicionar sensores para monitorar a pressão da água (alertando sobre falhas na bomba ou vazamentos). Podemos também confirmar o movimento real do pivô (detectando paradas mecânicas). Outra opção é replicar alarmes específicos do painel de controle do pivô na sua central. Com isso, você transforma o sistema em um painel de controle remoto completo. Ele oferece uma visão 360º da saúde e operação do seu equipamento.
O Equipamento por Trás do Monitoramento Remoto de Pivô: Transceptor Alpha V4
Esta solução de missão crítica é possível graças a recursos de nível industrial do Transceptor Alpha V4.
- Tecnologia Fail-Safe Dupla: A arquitetura inteligente utiliza tanto a lógica do relé NF quanto a saída dedicada SSR. Isso garante alertas confiáveis em qualquer cenário.
- Saída Dedicada SSR: Projetamos esta saída especificamente para funções de “watchdog” (cão de guarda). Ela permite criar um alarme de falha de comunicação isolado e seguro.
- Tecnologia Always ON™: Garante que os transceptores não travem por panes lógicas ou elétricas. Isso é essencial para um sistema de vigilância contínua.
- Robustez com Proteção IP65: O gabinete é resistente a sol, chuva e poeira. Isso é fundamental para a instalação no ambiente hostil do pivô.
- Longo Alcance Real: O modelo A8000 tem alcance padrão de até 8 km. Além disso, esse alcance pode ser expandido para até 56 km com antenas direcionais Yagi. Isso elimina a necessidade de repetidores mesmo em áreas extensas.
Confiabilidade e Informação Precisa para sua Irrigação
Em suma, a perda de uma janela de irrigação pode ter custos elevados. O sistema de monitoramento remoto para pivô de irrigação “fail-safe” com o Transceptor Alpha V4 oferece a solução definitiva. Ele proporciona não apenas um alerta, mas a garantia de que qualquer falha será imediatamente sinalizada, com diagnóstico preciso da causa.
Ao diferenciar os tipos de falha e garantir operação contínua com backup de energia, esta solução entrega a informação e a confiabilidade necessárias. Assim, você protege seu investimento e otimiza sua produção. Fale com nossos especialistas.
 
						
					 
							 
							